Product Summary
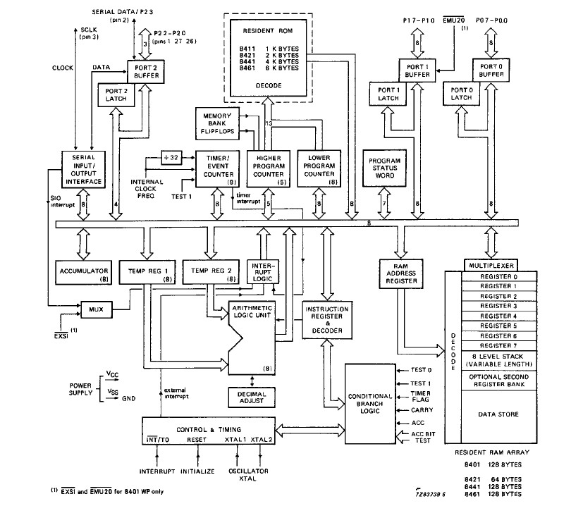
The MAB8421P is a single-chip 8-bit microcontroller. The MAB8421P microcontroller is designed to be an efficient controller as well as an arithmetric processor. The instruction set is based on that of the MAB8421P. The microcontroller has extensive bit handling abilities and facilities for both binary and BCD arithmetic.
Parametrics
MAB8421P absolute maximum ratings: (1)Input voltage on any pin with respect to ground: VI: -0.5 to +7V; (2)Total power dissipation: 1W; (3)Input/output current for all pins: II, IO: 10mA; (4)Storage temperature, Tstg: -65 to +150℃; (5)Operating temperature standard, Tamb: 0 to +70℃; (6)extendard, Tamb: -40 to +85℃; (7)automotive, Tamb: -40 to +110℃.
Features
MAB8421P features: (1)8 bit: CPU, ROM, RAM and I/O in a single 28 lead DIL package; (2)2K, 4K or 6K ROM bytes plus a ROM less version; (3)64 or 128RAM bytes; (4)20 quasi-bidirectional I/O port lines; (5)Two testable inputs: one of which can be used to detect zero cross over the other is also the external interrupt input.
Diagrams

![]() |
![]() MAB8 |
![]() |
![]() ACCY MOUNT BMM 3/8 58A |
![]() Data Sheet |
![]()
|
|
||||||
![]() |
![]() MAB814 |
![]() |
![]() ACCY MOUNT BMM BTH |
![]() Data Sheet |
![]()
|
|
||||||
![]() |
![]() MAB818 |
![]() |
![]() ACCY MOUNT BMM 3/8 58A |
![]() Data Sheet |
![]()
|
|
||||||
![]() |
![]() MAB825 |
![]() |
![]() ACCY MOUNT BMM 3/8 58A |
![]() Data Sheet |
![]()
|
|
||||||
![]() |
![]() MAB830 |
![]() |
![]() ACCY MOUNT BMM 3/8 58A |
![]() Data Sheet |
![]()
|
|
||||||
![]() |
![]() MAB8B |
![]() |
![]() ACCY MOUNT BMM 3/8 58A |
![]() Data Sheet |
![]()
|
|
||||||
(China (Mainland))








